Model VSM3SD-25-T-PL, High Precision Positioning Stage

Model VSM3SD-25-T-PL, High Precision Positioning Stage

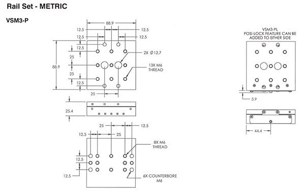
UnitMetric
SeriesVSM3
Work Surface89 X 89
Travel25 mm
Metric Travel Filter0 to 50 mm
Product TypeCROSSED ROLLER RAIL
DriveSIDE
ActuatorMOTORIZED
PosiLockYES
Capacity52 kg
Metric Capacity Filter51 to 75 kg
M14.18
M211.27
M311.83
Accuracy0.0025"
Repeatability0.0025
CofFriction0.002