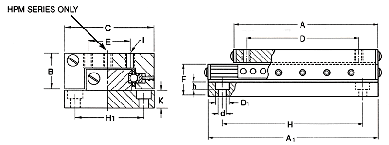
| Unit | US Standard |
|---|---|
| Series | HPM-FB |
| Travel | 0.5" |
| US Travel Filter | 0 to 2" |
| Capacity | 8 lbs |
| US Capacity Filter | 0 to 55 lbs |
| Weight | 0.08 lbs |
| A | 1.000" |
| B | 0.750" |
| C | 1.000" |
| D | 0.625" |
| E | CL" |
| F | 0.50" |
| H | 0.750" |
| Accuracy | 0.00004" |
| Product Type | Ball Slide |
| Finish | Black-Other |
| D1 | 0.198 |
| D2 | 0.198" |
| d_small | .125" |
| h_small | .125" |
| I | #4-40 |
| A1 | 1.25" |
| H1 | 0.750" |
| K | 0.25" |
| M1 | 2.5 |
| M2 | 3.33 |
| M3 | 3.5 |
Dimension Drawing

