Model BSGS16W-1-310, Recirculating Wide Ball Slide Guides   (BSG-W)

Model BSGS16W-1-310, Recirculating Wide Ball Slide Guides (BSG-W)

UnitMetric
SeriesBSGS16W
Travel254.5 mm
Metric Travel Filter201 to 400 mm
Capacity500 kg
Metric Capacity Filter0 to 500 kg
IMMetric
Accuracy8 mm
Product TypeBall Slide
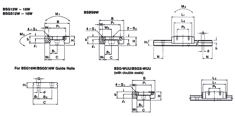
M11310.9
M2355.9
M3425.4
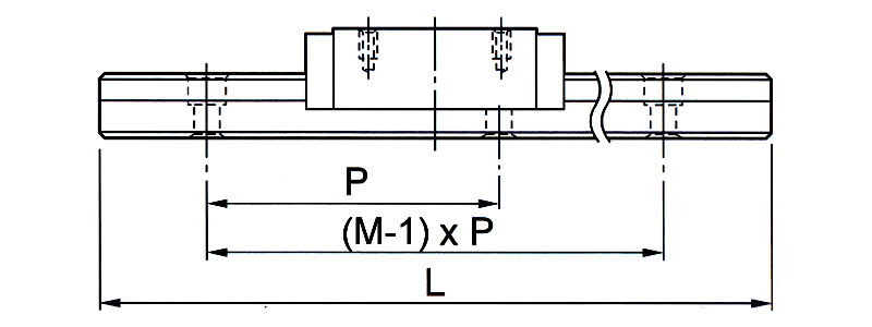
L310 mm (12.204")
H16 mm (0.63")
B60 mm (2.362")
L255.5 mm (2.185")
L151.2 mm (2.016")
W7.5 mm (0.295")
P145 mm (1.772")
P220 mm (0.788")
S1M4
small_e14.5 mm (0.177")
L342 mm (1.654")
small_b13 mm (0.512")
Dynamic C42 mm (1.654")
Static Co720 mm (1587")
P40 mm (1.575")
H19.5 mm (0.374")
C42 mm (1.654")
B19.5 mm (0.374")
B223 (.906)
W19 mm (0.354")
small_dgh4.5 x 8 x 4.5 (.177 x .315 x .177)
N15 mm (0.591")
Weight Guide Rail2.95 kg (1.982lb)
Max Length1900 mm (74.8x")
Holes M8