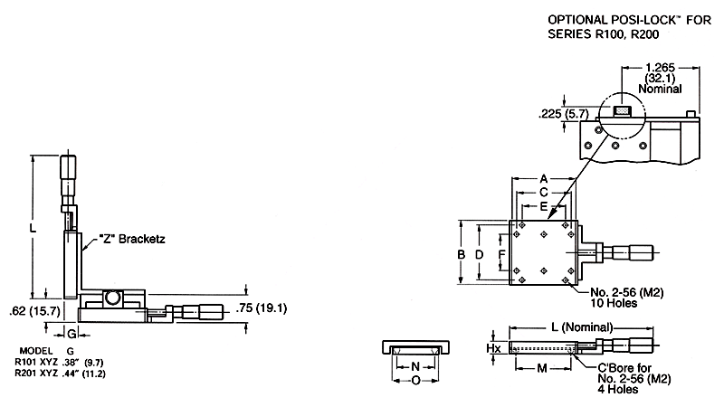
Model R101-XYZ, Crossed Roller Positioning Stage

Model R101-XYZ, Crossed Roller Positioning Stage

capacityz1.25 lbs
capacityxy23 lbs
UnitUS Standard
SeriesR100
IMInch
Travel.50"
US Travel Filter0 to 2"
Capacity23 lbs
US Capacity Filter0 to 55 lbs
Accuracy0.0001"
Product TypeCrossed Roller
M19.66"
M29.2"
M39.2"
C1.00"
D1.00"
E.69"
F.50"
G.38"
M1.00"
CBORE2 - 56
Thread2 - 56
Holes10
N.69"
O.940"
P1.265"
L3.25"
Hx.38"
Capacity XY23 lbs
Capacity Z1.25 lbs
Work Surface1.25 X 1.25
Through Hole10
Axis(XYZ) Triple Axis
Option PL1
Option PL Price150
OrientationCenter Line