| Unit | Metric |
|---|---|
| Series | NB-2000 |
| Number of Rollers | 16 |
| Travel | 50 mm (1.969") |
| Metric Travel Filter | 0 to 200 mm |
| Capacity | 96 kg |
| Metric Capacity Filter | 0 to 500 kg |
| Length | 90 mm (3.544") |
| Metric Length Filter | 0 to 100 mm |
| Base Holes | 6 |
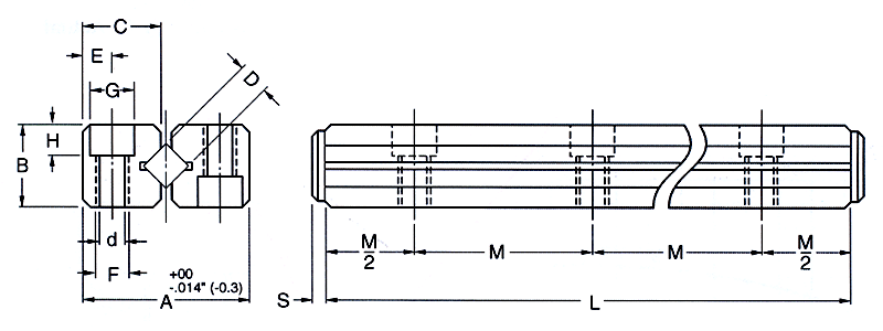
| A | 12 mm (0.473") |
| B | 6.0 mm (0.236") |
| C | 5.5 mm (0.217") |
| D | 2.0 mm (0.079") |
| P | 4 mm (.158") |
| S | 2.0 mm (0.079") |
| M | 15 mm (0.591") |
| E | 2.5 mm (0.0984") |
| F | M3 |
| J | #2 |
| d_small | 2.55 mm (0.100") |
| G | 4.4 mm (0.173") |
| H | 2.0 mm (0.079") |
| Accuracy | 2 mm |
| Product Type | Crossed Roller |
| Increase of Travel | 8 mm (.316") |
| Roller Load | 6 kg (13.2 lbs) |
| Material Type | Stainless Steel |
| M1 | 0 |
| M2 | 216 |
| M3 | 227 |
Dimension Drawing


