| Unit | US Standard |
|---|---|
| Series | HPS2 |
| Travel | 3" |
| US Travel Filter | 2.01 to 4" |
| Capacity | 51 lbs |
| US Capacity Filter | 0 to 55 lbs |
| Weight | 0.56 lbs |
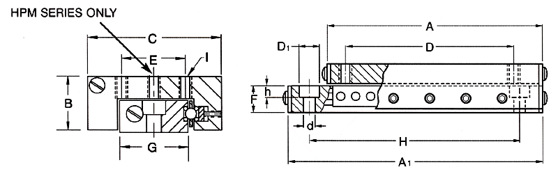
| A | 4.000" |
| B | 0.750" |
| C | 1.750" |
| D | 3.375" |
| E | 0.875" |
| F | 0.400" |
| G | 0.870" |
| H | 3.500" |
| Accuracy | 0.00004" |
| Product Type | Ball Slide |
| Finish | Black-Other |
| D1 | 0.24 |
| D2 | 0.240" |
| d_small | .157" |
| h_small | 0.145" |
| I | #6-32 |
| A1 | 4.250" |
| M1 | 22.11 |
| M2 | 41.6 |
| M3 | 43.68 |
Dimension Drawing

