| Unit | Metric |
|---|---|
| Series | BSGS13 |
| Travel | 136.0 mm |
| Metric Travel Filter | 0 to 200 mm |
| Capacity | 220 kg |
| Metric Capacity Filter | 0 to 500 kg |
| IM | Metric |
| Accuracy | 3 mm |
| Product Type | Ball Slide |
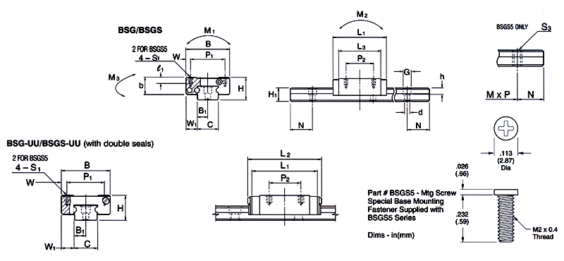
| M1 | 164.9 |
| M2 | 78.1 |
| M3 | 95.5 |
| L | 170 mm (6.692") |
| H | 13 mm (.512") |
| B | 27 mm (1.063") |
| L2 | 34 mm (1.338") |
| L1 | 30 mm (1.181") |
| W | 3.5 mm (0.138") |
| P1 | 20 mm (.788") |
| P2 | 15 mm (0.591") |
| S1 | M3 |
| small_e1 | 3.5 mm (0.138") |
| L3 | 23 mm (0.906") |
| small_b | 10 mm ( mm0.394") |
| Dynamic C | 12 mm (0.472") |
| Static Co | 320 mm (705") |
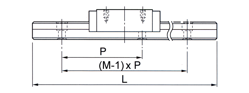
| P | 25 mm (0.984") |
| H1 | 7.5 mm (0.295") |
| C | 12 mm (0.472") |
| B1 | 6 mm (0.236") |
| W1 | 7.5 mm (0.295") |
| small_dgh | 3.5 x 6 x 4.5 (.138 x .236 x .177) |
| N | 10 mm (0.394") |
| Weight Guide Rail | 0.61 kg (0.41lb) |
| Max Length | 1000 mm (39.37") |
| Holes M | 7 |
Dimension Drawing


